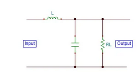
电感是一种由线圈组成的无源电气元件,是用于滤波、定时、电力电子 ,可以把电能转换成磁能并储能起来。常用字母“L”表示。 在实际中,电感的种类繁多,分类方式也多种多样,这里就不具体讲了。 电感就是将导线绕制成线圈形状,当电流流过时,在线圈(电感)两端就会形成较强的磁场。由于电磁感应 的作用,会对电流的变化起阻碍作用。 因此,电感对直流呈现很小的电阻(近似于短路),对交流呈现的阻抗较高,其阻值的大小与所通过交流信号的频率有关。 同一电感元件 ,通过交流电流的频率越高,呈现的阻值越大。 1、电感对直流呈现很小的电阻(近似于短路),对交流呈现的阻抗与信号频率成正比,交流信号频率越高,电感呈现的阻抗越大; 电感的电感量越大,对交流信号的阻抗越大。 2、电感具有阻止电流变化的特性,流过电感的电流不会发生突变,根据电感的特性,在电子产品 中常作为滤波线圈、谐振线圈 等。 LC滤波电路 在电感滤波中,纹波系数与负载电阻 成正比,另一方面,在电容滤波中,它与负载电阻成反比,因此如果将电感滤波与电容结合起来,纹波系数将几乎与负载滤波无关。它也被称为电感输入滤波电路、扼流输入滤波电路、RC滤波电路。 在该电路中,扼流圈 。 电感滤波电路 这种类型也叫做扼流过滤电路,由插在整流器 和负载电阻R之间的电感组成。整流包含交流分量和直流分量。当输出通过电感时,为交流分量提供高电阻,而对直流分量没有电阻。因此整流输出的交流分量被阻断,只有直流分量到达负载。 电感通常和电容并联构成LC谐振电路,主要用来阻止一定频率的信号干扰。 天线感应射频信号 。 图中的黄色圈起来的部分为CT、L1构成的谐振电路进行调谐选台。 LC串联谐振电路 将电感与电容串联,可构成串联谐振电路,如下图所示。 该电路可简单理解为与LC并联电路相反。LC串联电路对谐振频率 信号的阻抗几乎为0,阻抗最小,可实现选频功能。电感和电容的参数值不同,可选择的频率也不同。 LC并联谐振电路 电感与电容并联能起到谐振作用,阻止谐振频率信号输入。电感对交流信号的阻抗随频率的升高而变大。电容的阻抗随频率的升高而变小。 电感和电容并联构成的LC并联谐振电路有一个固有谐振频率,即共谐频率。 在这个频率下,LC并联谐振电路呈现的阻抗最大。利用这种特性可以制成阻波电路,也可制成选频电路。 电感的两个主要应用领域是电力电子和射频电路 。电感是各种DC-DC转换电路以及LC调谐振荡的射频电路中必不可少的元器件。下面,我将从这两个方面举个例子。 DC-DC转换电路或者开关稳压器 的升压和降压期间具有高效率,下面是用于降低直流电压的降压转化器的简化图。 在实际应用中,在一些DC-DC转换电路中也常用晶体管 。 电感用于各种射频电路,包括滤波器 和基极之间的 LC 谐振电路。 放大器是必不可少的,因为 LC 电路本身会由于组件的寄生电阻而产生阻尼振荡。 振荡电路中的放大器确保无阻尼振荡 。 要选择射频扼流圈,需要选择自谐振频率 (SRF) 接近需要扼流圈的频率的电感。这是因为电感的阻抗在其自谐振频率处最大。 对于LC电路选择电感,自谐振频率要比工作频率高很高,还必须考虑电感的容差,不然会导致频率选择出现不必要的偏移。 什么是电感?

电感的工作原理

电感的两个重要特性

电感的功能及作用
1、电感的滤波功能


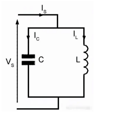
2、电感的谐振功能
3、LC串联、并联谐振电路


电感的应用
1、DC-DC转换电路

2、射频电路

